www.plastikalia.com

Inicio

Presentación Productos Sectores Información Técnica Referencias 6Contacto
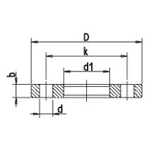
Juntas planas con taladros en EPDM - DIN PN 10

DN DE d1 k D d b N M
15 20 28 65 95 14 3 4 M12
20 25 34 75 105 14 3 4 M12
25 32 42 85 115 14 3 4 M12
32 40 51 100 140 18 3 4 M16
40 50 62 110 150 18 3 4 M16
50 63 78 125 165 18 3 4 M16
65 75 92 145 185 18 3 4 M16
80 90 108 160 200 18 3 8 M16
100 110 128 180 220 18 3 8 M16
100 125 135 180 220 18 3 8 M16
125 140 158 210 250 18 3 8 M16
150 160 178 240 285 22 3 8 M20
150 180 188 240 285 22 3 8 M20
200 200 235 295 340 22 3 8 M20
200 225 240 295 340 22 3 8 M20
250 250 288 350 406 22 3 12 M20
250 280 294 350 406 22 3 12 M20
300 315 338 400 460 22 3 12 M20
350 355 377 460 520 23 3 16 M20
400 400 430 515 580 27 3 16 M24
500 450 517 620 670 26 3 20 M24
500 500 533 620 670 26 3 20 M24
600 560 618 725 780 30 3 20 M27
600 630 645 725 780 30 3 20 M27
700 710 740 840 895 30 3 24 M27
800 800 850 950 1015 33 3 24 M27

[ Inicio ]

 

Teléfono: +34 943 673 630

Fax: +34 943 675 174

E-mail:  info@plastikalia.com

Español | English | Français