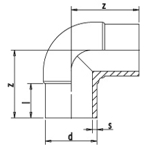
Codo 90º largo SDR 11 en PE100

d 

s 

l 

z 

25 

2.3 

42 

63 

32 

2.9 

47 

72 

40 

3.7 

44 

69 

50 

4.6 

50 

77 

63 

5.8 

56 

95 

75 

6.8 

72 

116 

90 

8.2 

78 

139 

110 

10 

86 

158 

125 

11.4 

104 

180 

140 

12.7 

119 

198 

160 

14.6 

117 

210 

180 

16.4 

116 

222 

200 

18.2 

128 

250 

225 

20.5 

136 

269 

250 

22.7 

180 

307 

280 

25.4 

200 

340 

315 

28.6 

210 

370 

[ Inicio ]

 

Teléfono: +34 943 673 630

Fax: +34 943 675 174

E-mail:  info@plastikalia.com

Español | English | Français