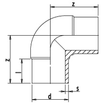
Codo 90º largo SDR 17 en PE100

d  s  l  z 
75  4.5  72  116 
90  5.4  78  139 
110  6.6  86  158 
125  7.4  104  180 
140  8.3  119  198 
160  9.5  117  210 
180  10.7  116  222 
200  11.9  128  250 
225  13.4  136  269 
250  14.8  180  307 
280  16.6  200  340 
315  18.7  210  370 

[ Inicio ]

 

Teléfono: +34 943 673 630

Fax: +34 943 675 174

E-mail:  info@plastikalia.com

Español | English | Français