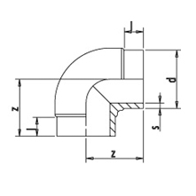
Codo 90º SDR 11 en PE100

d  s  l  z 
25  2.3  13  37 
32  4.9  14  39 
40  3.7  16  46 
50  4.6  22  51 
63  5.8  27  68 
75  6.8  27  72 
90  8.2  32  95 
110  10  40  107 
125  11.4  50  128 
140  12.7  56  136 
160  14.6  63  159 
180  16.4  63  179 
200  18.2  70  198 
225  20.5  79  219 

[ Inicio ]

 

Teléfono: +34 943 673 630

Fax: +34 943 675 174

E-mail:  info@plastikalia.com

Español | English | Français