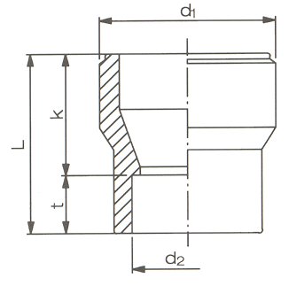
Reducción Socket PN 16 en PE100

d1 d2  t k
20 16 34 13 21
25 16 41 15 26
25 20 39 16 23
32 20 45 16 29
32 25 45 18 27
40 20 50 16 34
40 25 50 18 32
40 32 50 20 30
50 20 55 16 39
50 25 55 18 37
50 32 55 18 37
50 40 55 25 30
63 25 65 18 47
63 32 65 20 45
63 40 65 21 44
63 50 65 25 40
75 63 64 29 35
90 63 87 29 58
90 75 86 33 53
110 63 90 29 61
110 90 88 37 51

[ Inicio ]

 

Teléfono: +34 943 673 630

Fax: +34 943 675 174

E-mail:  info@plastikalia.com

Español | English | Français