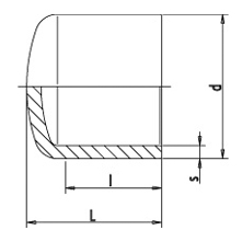
Tapón Largo SDR 17 en PE100

d  s  L  l 
75  4.5  79  67 
90  5.4  93  73 
110  6.6  105  80 
125  7.4  124  95 
140  8.3  140  110 
160  9.5  152  121 
180  10.7  169  134 
200  11.9  184  140 
225  13.4  200  160 
250  14.8  230  152 
280  14.6  257  162 
315  18.7  262  167 

[ Inicio ]

 

Teléfono: +34 943 673 630

Fax: +34 943 675 174

E-mail:  info@plastikalia.com

Español | English | Français