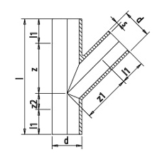
"Tes" 45º largas SDR 11 en PE100

d  l  l1  s  z  z1  z2 
50  219  55  4.6  111  87  21 
63  245  63  5.8  123  95  23 
75  290  74  6.8  144  101  37 
90  370  85  8.2  185  148  51 
110  400  84  10  200  164  66 
160  540  115  14.6  260  200  50 
225  705  135  20.5  350  350  85 

[ Inicio ]

 

Teléfono: +34 943 673 630

Fax: +34 943 675 174

E-mail:  info@plastikalia.com

Español | English | Français