"Tes" largas reducidas SDR 17 en PPH

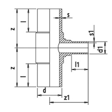
d  d1  s  s1  l  z  l1  z1 
110  63  6.6  5.8  88  158  62  135 
110  90  6.6  5.4  91  160  78  151 
140  63  8.3  5.8  105  193  77  160 
140  75  8.3  4.5  105  193  78  173 
140  90  8.3  5.4  105  194  87  182 
140  110  8.3  6.6  105  194  95  188 
160  63  9.5  5.8  110  212  72  174 
160  75  9.5  4.5  111  212  73  180 
160  90  9.5  5.4  111  212  84  190 
160  110  9.5  6.6  111  212  93  197 
180  75  10.7  4.5  116  230  93  190 
180  90  10.7  5.4  116  230  85  200 
180  110  10.7  6.6  116  230  95  210 
180  125  10.7  7.4  116  215  100  215 
180  140  10.7  8.3  116  230  104  220 
180  160  10.7  9.5  116  230  110  225 
225  63  13.4  5.8  130  270  69  241 
225  75  13.4  4.5  130  270  76  248 
225  90  13.4  5.4  130  270  85  257 
225  110  13.4  6.6  120  261  92  271 
225  125  13.4  7.4  120  261  93  266 
225  140  13.4  8.3  130  270  104  276 
225  160  13.4  9.5  120  261  109  252 

[ Inicio ]

Teléfono: +34 943 673 630

Fax: +34 943 675 174

E-mail:  info@plastikalia.com

Español | English | Français